ETITEC V 2T2 440/20 2+0 002442941
Specifikace
- Kód ETI:
- 002442941
- Popis:
- ETITEC V 2T2 440/20 2+0
- AC max continous operating voltage Uc:
- 440
- Typ:
- T2
- In (8/20):
- 20
- Max. výbojový proud Imax(8/20ms) (kA):
- 40
- Up - Úroveň ochrany napětí (kV):
- 2,5
- Svodový proud:
- Ano
- Aplikovaná technologie:
- MOV
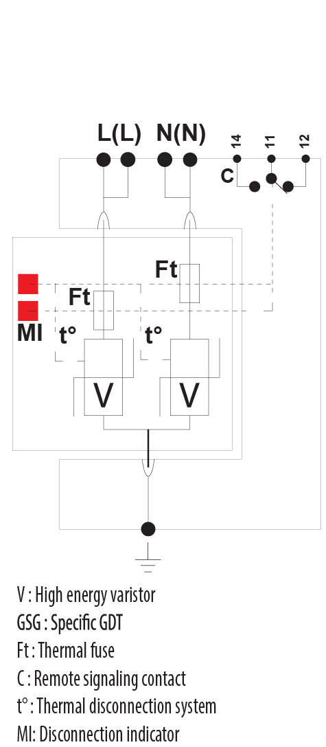
- Dálková signalizace:
- Ne
- Typ sítě:
- IT
- Počet modulů:
- 2
- Vestavná hloubka (mm):
- 68
- Funkce:
- SPD
- Skupina katalogu:
- ETITEC V
Dokumenty
Logistické údaje
Produkt
- Celní sazba
- 85354000
- logis_net_width
- 18 mm
- logis_net_height
- 95 mm
- logis_net_depth
- 68 mm
Základní balení
- Množství
- 1
- EAN
- 3838895828730
- Váha
- 0.142 kg
Přepravní balení
- Množství
- 96
- EAN
- 3838895828747
- Váha
- 15.652 kg
- Množství - transport
- 3840
COM_ETISTORE_ITEM_TITLE_LOGISTIC_DATA_SECTION4
- qty
- 8 pcs
- Hmotnost
- 1.241 kg
- Výška (mm)
- 78 mm
- Hlubka (mm)
- 183 mm
- volume
- 1.499 dm3
Klasifikace ETIM
- Klasifikace
- EC000941
- Název třídy
- Surge protection device for power supply systems
- System configuration DC
- Ne
- System configuration IT
- Ne
- System configuration TN-C
- Ne
- System configuration TN-S
- Ano
- System configuration TT
- Ne
- System configuration other
- Ne
- Nominal discharge surge current (8/20)
- 20kA
- Nominal voltage AC
- 400V
- Short-circuit breaking capacity (Isccr)
- 10kA
- Max. continuous voltage AC
- 280V
- Max. discharge surge current (8/20)
- 40kA
- Mounting method
- DIN rail (top hat rail) 35 mm
- Max. conductor cross section solid (solid, stranded)
- 35mm²
- Max. conductor cross section flexible (fine-strand)
- 25mm²
- With remote signalling contact
- Ne
- Integrated backup fuse
- Ne
- Signalling at the device
- Optical
- Category type 2
- Ano
- Degree of protection (IP)
- IP20
Obrázky a schémata
Software a ovladače

Tagy
Příslušenství 31
>
>
0